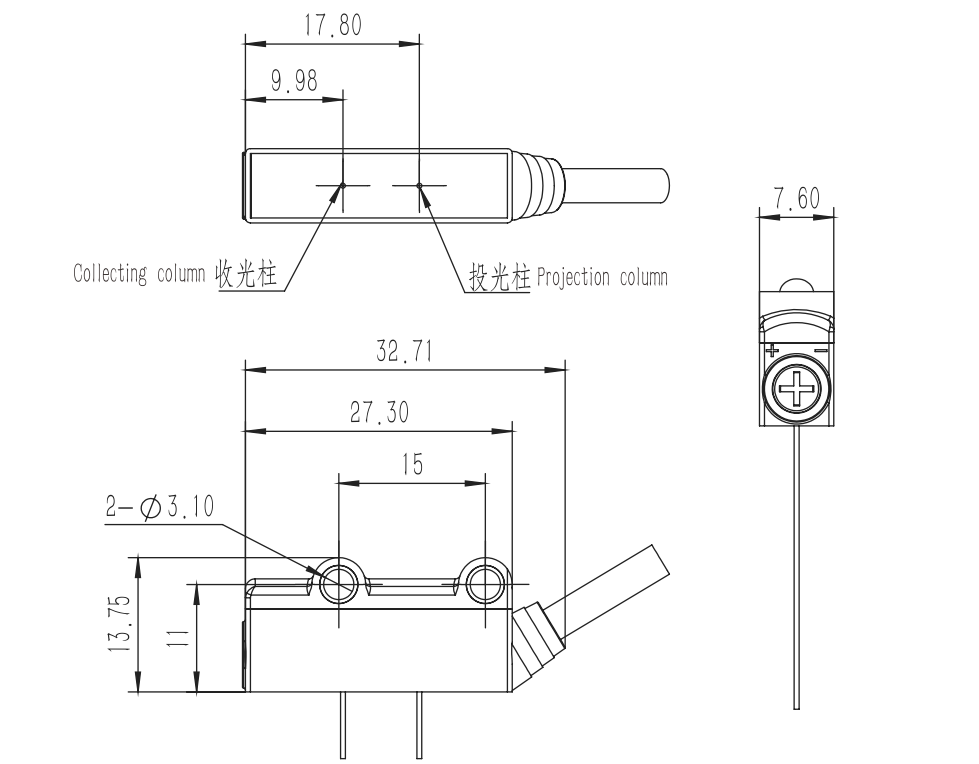
微小型激光光电

不受目标颜色以及背景颜色的干扰,精准检测物体
BGS功能的完美应用,即使在异色工件流通的生产线上进行换产时,也无需调节检测距离
具有抗干扰性能,可紧贴安装2台及以上传感器,采用自动防干扰设计,可以有效的抗同频干扰,独立输出,互不干扰,也能有效的抗光干扰
安装尺寸较小,通用性强,提高了产品的安装可能性

| 种类 | 微小型背景抑制光电 | 对射微小型背景抑制光电 | |
| 型号 项目 | NPN 输出 (常开常闭一体) | F2S-10N | F2S-T2MN |
| PNP 输出 (常开常闭一体) | F2S-10P | F2S-T2MP | |
| 检测距离 | 0- 150mm | 0-2m | |
| 标准检测物 | 不受物体背景颜色影响 | ||
| 应差 | 检出距离的20%以下 | - | |
| 光源(波长) | 红色发光⼆极管Red LED(650nm) | ||
| 电源电压 | DC12-30V⼠10% | ||
| 消耗电流 | 20mA以下 | 45mA max | |
| 控制输出 | 荷电源电压DC26 .4以下、负荷电源电流100mA以下(残留电压1V以下) | ||
| 保护电路 | 电源逆接/输出短路、防止相互干扰 | ||
| 响应时间 | 动作/回复各1 .0ms以下 | ||
| 灵敏度调节 | 多圈调节(可调范围360 ° ) | 无 | |
| 环境照明 | 白炽灯3000x1以下/日光10000x1以下 | ||
| 环境温度 | 使⽤时:-25℃ ~+55℃ 保存时:-40℃ ~+70℃ , 不结冰 | ||
| 环境湿度 | 使⽤时:35%~85%RH 保存时:35%~95%RH,不结露 | ||
| 绝缘电阻 | 20MΩ以上(DC500V摇表)充电部整体与外壳间 | ||
| 介电强度 | AC1000V以上在50/60Hz时,在电流承载部件和外壳间达1分钟 | ||
| 耐振动 | 10~55Hz,1.5mm双幅,在X、Y、Z方向达到1h | ||
| 耐冲击 | ⼤约100G(1000m/s2),在X,Y,Z方向上各3次 | ||
| 输出方式 | L-0N/D-0N(接线时可选择)L-ON/D-ON(optional during wiring) | ||
| 连接方式 | 导线引出型(标准线长:2m) | ||
| 指示灯 | 稳定指示灯:绿色LED 输出指示灯:橙色LED | ||
| 防护等级 | Ip65 | ||
| 外壳材料 | PC(聚碳酸酯) | ||
| 镜头材料 | PMMA | ||


扫一扫,添加微信
扫一扫,添加QQ
热线电话:
139 2295 2859 东莞市新亿科电子科技有限公司
东莞市长安镇沙头振安中路332号明珠大厦2001室
1846059898@qq.com