方形接近开关

当前位置: 首页 > 产品展示 > 接近开关 > 方形接近开关

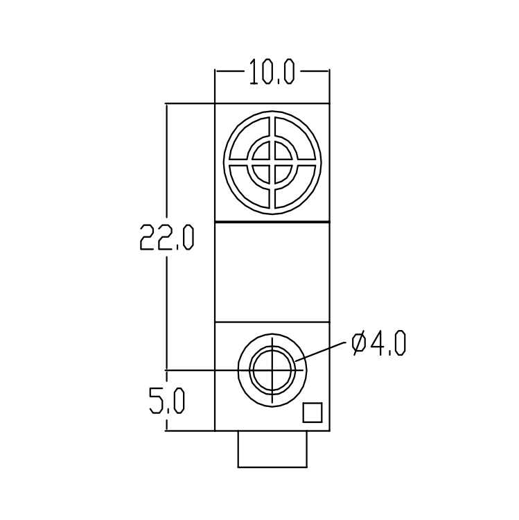
HN-1003-SP2 常闭小方形接近开关

产品参数
品牌:STUOB/思拓邦
型号:HN-1003-SP2
感应距离:3mm
工作电压:10-24V
输入信号:PNP常闭
响应频率:800Hz
防护等级:IP67
短路保护:有
检测方向:上方
检测物体:金属物体
环境温度:-25~+70°C
外壳材质:塑壳
产品特点

电感式,⾦属限位传感器磁性感应

标配三个保护电路

浪涌保护电流⼁短路保护⼁极性反接保护

动作指示灯多⻆度清晰可见

响应频率快,抗⼲扰能⼒强

突出的耐冲击/振动性

专业材质罐充,防⽔防油耐⾼温

稳定传输⼁结实耐⽤⼁防⽌缠绕

产品选型

微信图片_20241022145600.png

详细参数

   种类   ⽅型8前⽅感应   ⽅型10上⽅感应⽅型12上⽅感应⽅型12前⽅感应⽅型17前⽅感应
        型号
         
                  项⽬
NPN 输出HN-0802-E1(常开)HN-1003-SE1(常开)HN-1204-SE1(常开)HN-1204-E1(常开)RN-1705-E1(常开)
HN-0802-E2(常闭)HN-1003-SE2(常闭)HN-1204-SE2(常闭)HN-1204-E2(常闭)RN-1705-E2(常闭)
   PNP 输出HN-0802-P1(常开)HN-1003-SP1(常开)HN-1204-SP1(常开)HN-1204-P1(常开)RN-1705-P1(常开)
HN-0802-P2(常闭)HN-1003-SP2(常闭)HN-1204-SP2(常闭)HN-1204-P2(常闭)RN-1705-P2(常闭)
    检测⾯   前⽅检测   上⽅检测上⽅检测前⽅检测前⽅检测
    检测距离   2mm±10%3mm±10%4mm±10%4mm±10%5mm±10%
    检测物体   磁性⾦属
    标准检测物体(铁)   8x8x1mm10x10x1mm12x12x1mm12x12x1mm17x17x1mm
    设定距离   0-1.6mm0-2.4mm0-3.2mm0-3.2mm0-3.2mm
    应差距离   检测距离的10%以下
    应答频率   1000HZ800HZ600HZ400HZ400HZ
    电线直径   3mm
    电源电压   DC12-24V纹波(p-p)10%以下(DC10-30V)
    泄漏电流   0.8mA以下
    动作形态   NO:常开,NC:常闭
    控制输出   负载电流200mA以下(残留定压1V以下)
    显⽰灯   动作指⽰灯(红⾊)
    保护回路   浪涌保护回路、短路保护、极性反接保护
    环境温度   动作时:-25-+70℃(不结冰、不结露)
    环境湿度   动作时、保存时:各35-95%RH(不结露)
    温度的影响   温度范围-25-70℃,每变化20℃时,检测距离±10%以内变化
    电压的影响   额定电源电压范围±15%以内波动时,检测距离±1%以内变化
    绝缘阻抗   50MΩ以上(DC500兆欧表)充电部与外壳间
    耐电压   AC1000V50/60Hz1min充电部与外壳间
    耐振动   10~55Hz上下振幅1.5mmX、Y、Z各⽅向2h
    耐冲击   500m/SX、Y、Z各⽅向10次
    连接⽅式   导线引出型(标准导线⻓2m),特殊(可订制PUR)拖链线缆
    外壳材料   ABS+PC合⾦材料
    防护等级   Ip67
接线及尺寸图

image.png

image.png

扫一扫,添加微信


扫一扫,添加QQ

热线电话:

139 2295 2859 东莞市新亿科电子科技有限公司 东莞市长安镇沙头振安中路332号明珠大厦2001室 1846059898@qq.com
Copyright © 2012-2025 东莞市新亿科电子科技有限公司 版权所有  网站备案号:粤ICP备2022002522号