电容式接近开关

当前位置: 首页 > 产品展示 > 接近开关 > 电容式接近开关

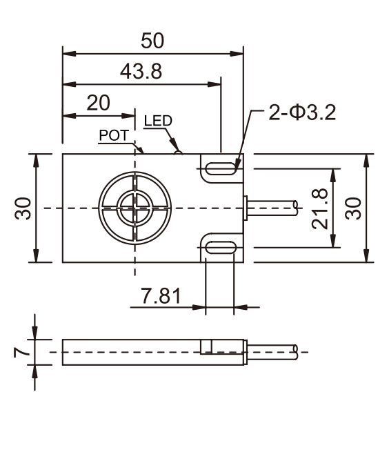
CP-Q30A08N2 方形电容式接近开关

产品参数
品牌:STUOB/思拓邦
型号:CP-Q30A08N2
感应距离:2-8mm
工作电压:10-30V
输入信号:NPN常闭
响应频率:100Hz
防护等级:IP67
短路保护:有
检测方向:上方
检测物体:不透明物体
环境温度:-25~+70°C
外壳材质:塑壳
产品特点

电容式传感器

标配三个保护电路

浪涌保护电流⼁短路保护⼁极性反接保护

动作指示灯多⻆度清晰可见

响应频率快,抗干扰能⼒强

突出的耐冲击/振动性

专业材质罐充,防水防油耐⾼温

稳定传输⼁结实耐用⼁防止缠绕

产品选型

微信图片_20241027180116.png

详细参数

   种类    电容式上方检测电容式上方检测   电容式上方检测    电容式管道液体检测
         型号
         
       项目
   NPN 输出CP-Q16A8N1(常开)CP-Q20A10N1(常开)CP-Q30A08N1(常开)CP-Y13-E1(常开)
CP-Q16A8N2(常闭)CP-Q20A10N2(常闭)CP-Q30A08N2(常闭)CP-Y13-E2(常闭)
   PNP 输出CP-Q16A8P1(常开)CP-Q20A10P1(常开)CP-Q30A08P1(常开)CP-Y13-P1(常开)
CP-Q16A8P2(常闭)CP-Q20A10P2(常闭)CP-Q30A08P2(常闭)CP-Y13-P2(常闭)
     检测面上方检测上方检测上方检测管道液体检测
     检测距离2-8mm可调节2- 10mm可调节2-8mm可调节2- 10mm可调节
     检测物体    金属物体、非金属物质(塑料、玻璃、水、油和其他非金属材料)
     标准检测物体(铁)18x8x1mm20x20x1mm30x30x1mm13x13x1mm
     设定距离0-6.4mm0-8mm0-6.4mm0-8mm
     应答频率    100Hz
     应差频率    检测距离的10% 以下
     电源电压    10~30V DC脉动(P- P)10%max
     泄漏电流    0.8mA 以下
     开关容量    100mA
     控制输出    负载电流 200mA 以下(残留定压1V以下)
     显示灯    动作指示灯(红色)
     保护回路    浪涌保护回路、短路保护、逆向连接
     环境温度    动作时:-25~+70℃ 保存时:-40~+85 ° (不结冰)
     环境湿度    动作时、保存时:35~95%RH
     残留电压    温度范围-25-70℃ , 每变化20℃时,检测距离±10%以内变化
     绝缘阻抗    50MΩ以上(DC500兆欧表)充电部与外壳间
     耐电压    AC1000V     50/60Hz 1min充电部与外壳间
     耐振动    10~55Hz 上下振幅1.5mmX、Y、Z各方向 2h
     耐冲击    500m/S²X、Y、Z各方向10次
     连接方式    导线引出型(标准导线长2m),特殊(可订制PUR)拖链线缆
     外壳材料    ABS+PC 合金材料
     防护等级    Ip67
     配件    两个螺母
接线及尺寸图

image.png

image.png

扫一扫,添加微信


扫一扫,添加QQ

热线电话:

139 2295 2859 东莞市新亿科电子科技有限公司 东莞市长安镇沙头振安中路332号明珠大厦2001室 1846059898@qq.com
Copyright © 2012-2025 东莞市新亿科电子科技有限公司 版权所有  网站备案号:粤ICP备2022002522号