电容式接近开关

电容式传感器
标配三个保护电路
浪涌保护电流⼁短路保护⼁极性反接保护
动作指示灯多⻆度清晰可见
响应频率快,抗干扰能⼒强
突出的耐冲击/振动性
专业材质罐充,防水防油耐⾼温
稳定传输⼁结实耐用⼁防止缠绕

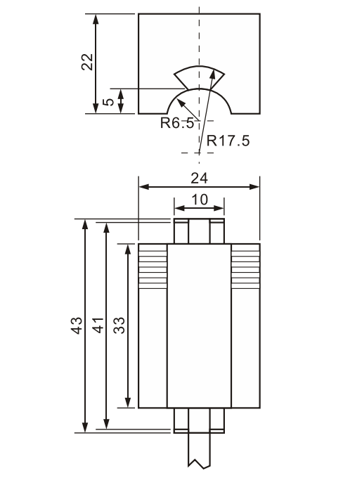
| 种类 | 电容式上方检测 | 电容式上方检测 | 电容式上方检测 | 电容式管道液体检测 | |
| 型号 项目 | NPN 输出 | CP-Q16A8N1(常开) | CP-Q20A10N1(常开) | CP-Q30A08N1(常开) | CP-Y13-E1(常开) |
| CP-Q16A8N2(常闭) | CP-Q20A10N2(常闭) | CP-Q30A08N2(常闭) | CP-Y13-E2(常闭) | ||
| PNP 输出 | CP-Q16A8P1(常开) | CP-Q20A10P1(常开) | CP-Q30A08P1(常开) | CP-Y13-P1(常开) | |
| CP-Q16A8P2(常闭) | CP-Q20A10P2(常闭) | CP-Q30A08P2(常闭) | CP-Y13-P2(常闭) | ||
| 检测面 | 上方检测 | 上方检测 | 上方检测 | 管道液体检测 | |
| 检测距离 | 2-8mm可调节 | 2- 10mm可调节 | 2-8mm可调节 | 2- 10mm可调节 | |
| 检测物体 | 金属物体、非金属物质(塑料、玻璃、水、油和其他非金属材料) | ||||
| 标准检测物体(铁) | 18x8x1mm | 20x20x1mm | 30x30x1mm | 13x13x1mm | |
| 设定距离 | 0-6.4mm | 0-8mm | 0-6.4mm | 0-8mm | |
| 应答频率 | 100Hz | ||||
| 应差频率 | 检测距离的10% 以下 | ||||
| 电源电压 | 10~30V DC脉动(P- P)10%max | ||||
| 泄漏电流 | 0.8mA 以下 | ||||
| 开关容量 | 100mA | ||||
| 控制输出 | 负载电流 200mA 以下(残留定压1V以下) | ||||
| 显示灯 | 动作指示灯(红色) | ||||
| 保护回路 | 浪涌保护回路、短路保护、逆向连接 | ||||
| 环境温度 | 动作时:-25~+70℃ 保存时:-40~+85 ° (不结冰) | ||||
| 环境湿度 | 动作时、保存时:35~95%RH | ||||
| 残留电压 | 温度范围-25-70℃ , 每变化20℃时,检测距离±10%以内变化 | ||||
| 绝缘阻抗 | 50MΩ以上(DC500兆欧表)充电部与外壳间 | ||||
| 耐电压 | AC1000V 50/60Hz 1min充电部与外壳间 | ||||
| 耐振动 | 10~55Hz 上下振幅1.5mmX、Y、Z各方向 2h | ||||
| 耐冲击 | 500m/S²X、Y、Z各方向10次 | ||||
| 连接方式 | 导线引出型(标准导线长2m),特殊(可订制PUR)拖链线缆 | ||||
| 外壳材料 | ABS+PC 合金材料 | ||||
| 防护等级 | Ip67 | ||||
| 配件 | 两个螺母 | ||||


扫一扫,添加微信
扫一扫,添加QQ
热线电话:
139 2295 2859 东莞市新亿科电子科技有限公司
东莞市长安镇沙头振安中路332号明珠大厦2001室
1846059898@qq.com