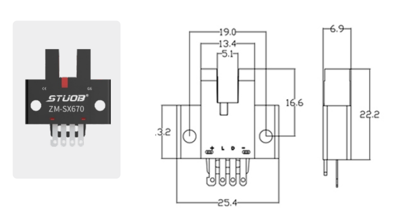
槽型光电开关

带护套直接出线式槽型传感器
标配三个保护电路
极性保护|过流保护|短路保护动作
指示灯多角度清晰可见
螺丝可轻松安装
突出的耐冲击/振动性
可使用通用型连接器可大幅降低总成本

| 种类 | 插件款型 | ||||
| 型号 项目 | NPN 输出 | ZM-SX670 | ZM-SX671 | ZM-SX672 | ZM-SX673 |
| PNP 输出 | ZM-SX670P | ZM-SX671P | ZM-SX672P | ZM-SX673P | |
| NPN 输出 | ZM-SX674 | ZM-SX675 | ZM-SX676 | ZM-SX677 | |
| PNP 输出 | ZM-SX674P | ZM-SX675P | ZM-SX676P | ZM-SX677P | |
| 检测距离 | 5mm(固定) | ||||
| 检测物体 | 1.2x0.8mm 不透明检测体 | ||||
| 重复精度 | 0.01mm以下 | ||||
| 电源电压 | 5V DC〜24V DC±10% | ||||
| 控制输出 | 开关容量:100mA | ||||
| 残留电压:以下(流出电流50mA) 1V以下(流出电流16mA) | |||||
| ⼯作状态指示灯 | 红⾊LED(⼊光时亮灯) | ||||
| 输出动作 | 入光时ON∕遮光时ON 装备2种输出 | ||||
| 保护回路 | 极性保护 过流保护 短路保护 | ||||
| 环境温度 | -25℃〜+55℃(注意不可结露、结冰)存储时: -30℃〜+80℃ | ||||
| 环境湿度 | 5%RH〜85%RH存储时:5%RH〜95%RH | ||||
| 温度的影响 | 温度范围在-25-+70℃ , 每变化20℃时,检测距离±10%以内变化 | ||||
| 电压的温度 | 额定电源电压范围±15%以内波动时,检测距离±1%以内变化 | ||||
| 耐电压 | AC1,000V 1分钟所有电源连接端⼦与外壳之间 | ||||
| 绝缘电阻 | 所有电源连接端⼦与外壳之间20MΩ以上,基于DC250V的高阻表 | ||||
| 耐振动 | 频率10Hz〜2,000Hz ,双振幅1.5mm(最大加速度196m/s2) XYZ各方向2⼩时 | ||||
| 耐冲击 | 加速度15,000m/s2(约1,500G) XYZ各方向3次 | ||||
| 连接方式 | 连接器型,可订制特殊拖链线缆(1千万次) | ||||
| 材质 | 外壳:PBT、显示罩:聚碳酸酯 | ||||
| 防护等级 | IP67 | ||||


扫一扫,添加微信
扫一扫,添加QQ
热线电话:
139 2295 2859 东莞市新亿科电子科技有限公司
东莞市长安镇沙头振安中路332号明珠大厦2001室
1846059898@qq.com