槽型光电开关

当前位置: 首页 > 产品展示 > 激光/光电开关 > 槽型光电开关

FM-SX670-WR 槽型光电开关/小型光电

产品参数
品牌:STUOB/思拓邦
型号:FM-SX670-WR
感应距离:5mm
工作电压:6-24V
输入信号:NPN常开/常闭
响应频率:800Hz
防护等级:IP67
短路保护:有
检测方向:中间
检测物体:不透明物体
环境温度:-25~+70°C
外壳材质:塑壳
产品特点

带护套直接出线式槽型传感器

标配三个保护电路

极性保护|过流保护|短路保护动作

指示灯多角度清晰可见

螺丝可轻松安装

突出的耐冲击/振动性

可使用通用型连接器可大幅降低总成本

产品选型

image.png

详细参数

种类     带护套直接出线型
型号
       项目
NPN 输出     FM-SX670-WR    FM-SX671-WR     FM-SX672-WR     FM-SX673-WR
PNP 输出     FM-SX670P-WR    FM-SX671P-WR     FM-SX672P-WR     FM-SX673P-WR
NPN 输出     FM-SX674-WR    FM-SX675-WR     FM-SX676-WR     FM-SX677-WR
PNP 输出     FM-SX674P-WR    FM-SX675P-WR     FM-SX676P-WR     FM-SX677P-WR
     检测距离     5mm(固定)
     检测物体     1.2x0.8mm 不透明检测体
     重复精度     0.01mm以下
     电源电压     5V DC〜24V DC±10%
     控制输出     开关容量:100mA
     残留电压:以下(流出电流50mA)  1V以下(流出电流16mA)
     ⼯作状态指示灯     红⾊LED(⼊光时亮灯)
     输出动作     入光时ON∕遮光时ON   装备2种输出
     保护回路     极性保护 过流保护 短路保护
     环境温度     -25℃〜+55℃(注意不可结露、结冰)存储时: -30℃〜+80℃
     环境湿度     5%RH〜85%RH存储时:5%RH〜95%RH
     温度的影响     温度范围在-25-+70℃ , 每变化20℃时,检测距离±10%以内变化
     电压的温度     额定电源电压范围±15%以内波动时,检测距离±1%以内变化
     耐电压     AC1,000V 1分钟所有电源连接端⼦与外壳之间
     绝缘电阻     所有电源连接端⼦与外壳之间20MΩ以上,基于DC250V的高阻表
     耐振动     频率10Hz〜2,000Hz ,双振幅1.5mm(最大加速度196m/s2) XYZ各方向2⼩时
     耐冲击     加速度15,000m/s2(约1,500G) XYZ各方向3次
     连接方式     连接器型,可订制特殊拖链线缆(1千万次)
     材质     外壳:PBT、显示罩:聚碳酸酯
     防护等级     IP67
     电线直径     2.8mm
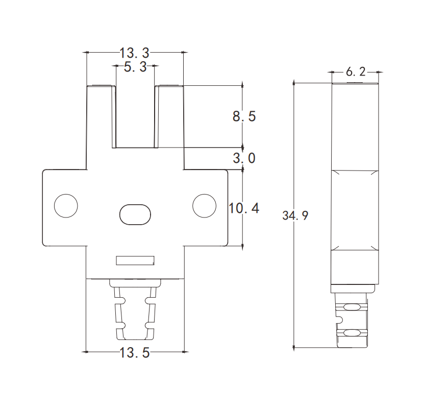
接线及尺寸图

image.png

image.png

扫一扫,添加微信


扫一扫,添加QQ

热线电话:

139 2295 2859 东莞市新亿科电子科技有限公司 东莞市长安镇沙头振安中路332号明珠大厦2001室 1846059898@qq.com
Copyright © 2012-2025 东莞市新亿科电子科技有限公司 版权所有  网站备案号:粤ICP备2022002522号